meer dan productkennis. oplossingen voor druk, vermogensregeling, verplaatsing en temperatuur.

PY2-F-050-S20M

Omschrijving

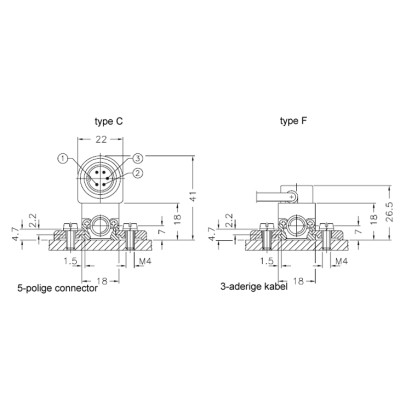
De PY2-serie potentiometers met bewegende as is speciaal ontworpen voor compacte (dikte) metingen. De bewegende as loopt door het sensorhuis heen waarbij deze zowel aan de in- en uitgangszijde gelagerd is. Deze constructie maakt de PY2 robuust en optimaal uitgelijnd. PY2 heeft een terugslagveer op de as, waarmee na elke meting de sensor terugkeert in de nul-positie. De punt van de as is afgerond zodat het meetobject niet beschadigd wordt. Door de geringe afmetingen is deze potentiometer zeer geschikt wanneer de inbouwruimte beperkt is en de meetafstand kort. Toegepast in bijvoorbeeld testbanken in laboratoriumomgeving, geotechniek, sorteermachines. Leverbare slaglengte 10 mm t/m 100 mm Lineaire potentiometer 50 mm Askoppeling: M4 Elektrische weerstand: 5 kOhm Beschermklasse IP40 Elektrische aansluiting: 3-aderige kabel (uitvoering kabellengte 20 m) Tevens leverbaar: - 5-pin connector DIN43322 = type PY2-C

Bestelcode

PY2*012

Bestellen

Dit product is op aanvraag leverbaar.
Vraag hieronder een offerte aan.

Slaglengte50 mm
Bevestiging aan bewegend objectAs
Elektrische aansluitingvaste pvc-kabelaansluiting
MeetprincipePotentiometrisch
MeetsignaalSpanningsdeling via variabele weerstand
BeschermklasseIP40
FabrikantGefran

Mocht u vragen hebben over PY2-F-050-S20M dan vernemen we dit graag.


Datasheet

Datasheet weergeven


Handleiding

Er is op dit moment geen handleiding online beschikbaar.