meer dan productkennis. oplossingen voor druk, vermogensregeling, verplaatsing en temperatuur.

PY1-C-150

Omschrijving

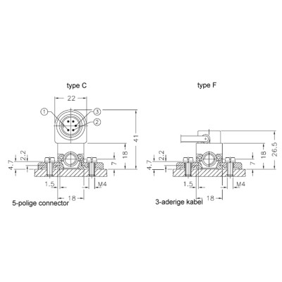
De PY1-serie potentiometers met bewegende as is speciaal ontworpen voor compacte (dikte) metingen. De bewegende as loopt door het sensorhuis heen waarbij deze zowel aan de in- en uitgangszijde gelagerd is. Deze constructie maakt de PY1 robuust en optimaal uitgelijnd. Het kogelgewricht op de as geeft een grotere bewegingstolerantie op het bevestigingspunt aan het bewegend onderdeel. Door de geringe afmetingen is deze potentiometer zeer geschikt wanneer de inbouwruimte beperkt is en de meetafstand kort. Toegepast in bijvoorbeeld testbanken in laboratoriumomgeving, geotechniek, sorteermachines. Leverbare slaglengte 25 mm t/m 150 mm Lineaire potentiometer 150 mm Askoppeling: M4 Elektrische weerstand: 5 kOhm Beschermklasse: IP40 Elektrische aansluiting: 5-pin connector DIN43322 Tevens leverbaar: - 3-pvc-aderige kabel = type PY1-F

Bestelcode

PY1*005

Bestellen

Dit product is op aanvraag leverbaar.
Vraag hieronder een offerte aan.

Slaglengte150 mm
Bevestiging aan bewegend objectAs
Elektrische aansluiting5-pin connector DIN43322
MeetprincipePotentiometrisch
MeetsignaalSpanningsdeling via variabele weerstand
BeschermklasseIP40
FabrikantGefran

Mocht u vragen hebben over PY1-C-150 dan vernemen we dit graag.


Datasheet

Datasheet weergeven


Handleiding

Er is op dit moment geen handleiding online beschikbaar.